
FIAM 668GP combinata
Kλειδαριές θωρακισμένης πόρτας με διπλό κύλινδρο γραναζωτές
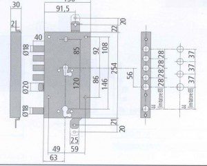
Κλειδαριά Θωρακισμένης πόρτας διπλού κυλίνδρου, 4 στροφών με 4 πείρους & πόμολο
- Λειτουργία με γρανάζι
- Επινικελωμένοι πείροι ø18mm
- Διαθέσιμα κέντρα (mm): 63
- Διαθέσιμες σε αριστερές & δεξιές.
- Κατάλληλη για αντικατάσταση ATRA-MOTURA
Σύστημα αυτόματου μπλοκαρίσματος
Με αυτή την λειτουργία η κλειδαριά παρέχει τέτοια ασφάλεια ώστε οι πείροι να μην υποχωρούν ακόμη και αν παραβιαστεί ή αφαιρεθεί ο κύλινδρος
Υπάρχει η δυνατότητα νά έχει καί πείρρο περιορισμένου ανοίγματος στήν έκδοση 668GLP.



