
FIAM 668GF
Kλειδαριές θωρακισμένης πόρτας με κύλινδρο – γραναζωτοί
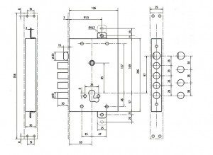
Κλειδαριά Θωρακισμένων θυρών 2 στροφών με 4 πίρους & πόμολο
- Λειτουργία με γρανάζι
- Επινικελωμένοι πείροι ø18mm
- Διαθέσιμα κέντρα (mm): 63
- Διαθέσιμες σε αριστερές & δεξιές.
- Κατάλληλη για αντικατάσταση CISA
Σύστημα αυτόματου μπλοκαρίσματος
Με αυτή την λειτουργία η κλειδαριά παρέχει τέτοια ασφάλεια ώστε οι πείροι να μην υποχωρούν ακόμη και αν παραβιαστεί ή αφαιρεθεί ο κύλινδρος



